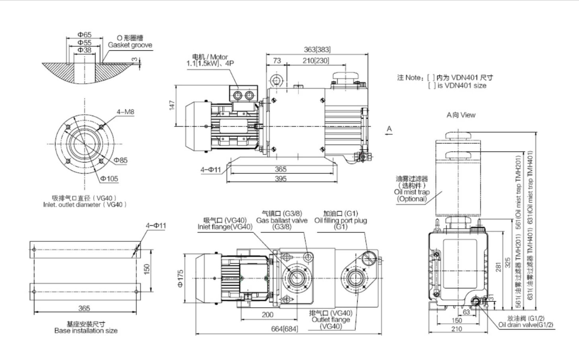
爱发科VDN油旋片泵301/401
油旋片式真空泵
用途:镀膜、溅射、离子镀,气体置换、充填、真空隔热,真空干燥、冷冻干燥、真空脱气,分析仪器、检漏装置,真空包装、真空吸附,搬运、真空成形、真空铸造等
详情请咨询:13901543292李小姐
QQ咨询:290962889
详细介绍
特长
√实现了低噪音
由于彻底的低噪音设计和精密的加工,从而达到了低噪音化
√优秀的保养、维修性能
因为能在真空泵与其他设备的连接管道不拆除的情况下,将泵的主体部分取下,所以清洗保养及油封等的更换变的非常容易。为使日常保养工作方便容易,油量确认、油补充、油更换的方向为同一操作方向,为延长使用油的补充期,采用了1.0~2.5升可变油量方式
√能对应全压强领域的连续运转
采用高吸气压强也能稳定运转的强制供油方式。选用油雾过滤器、油回收装置及耐热密封件后,就能在大气压以下的全压强范围内连续运转






爱发科干式真空泵NRL60-180A
爱发科罗茨式真空泵NB2400B
爱发科VDN油旋片泵602/902
爱发科罗茨式真空泵NB100B-NB12
爱发科活塞泵DOP-N181S
爱发科PVD油旋片泵N180-N360-
爱发科GLD油旋片泵N051-202