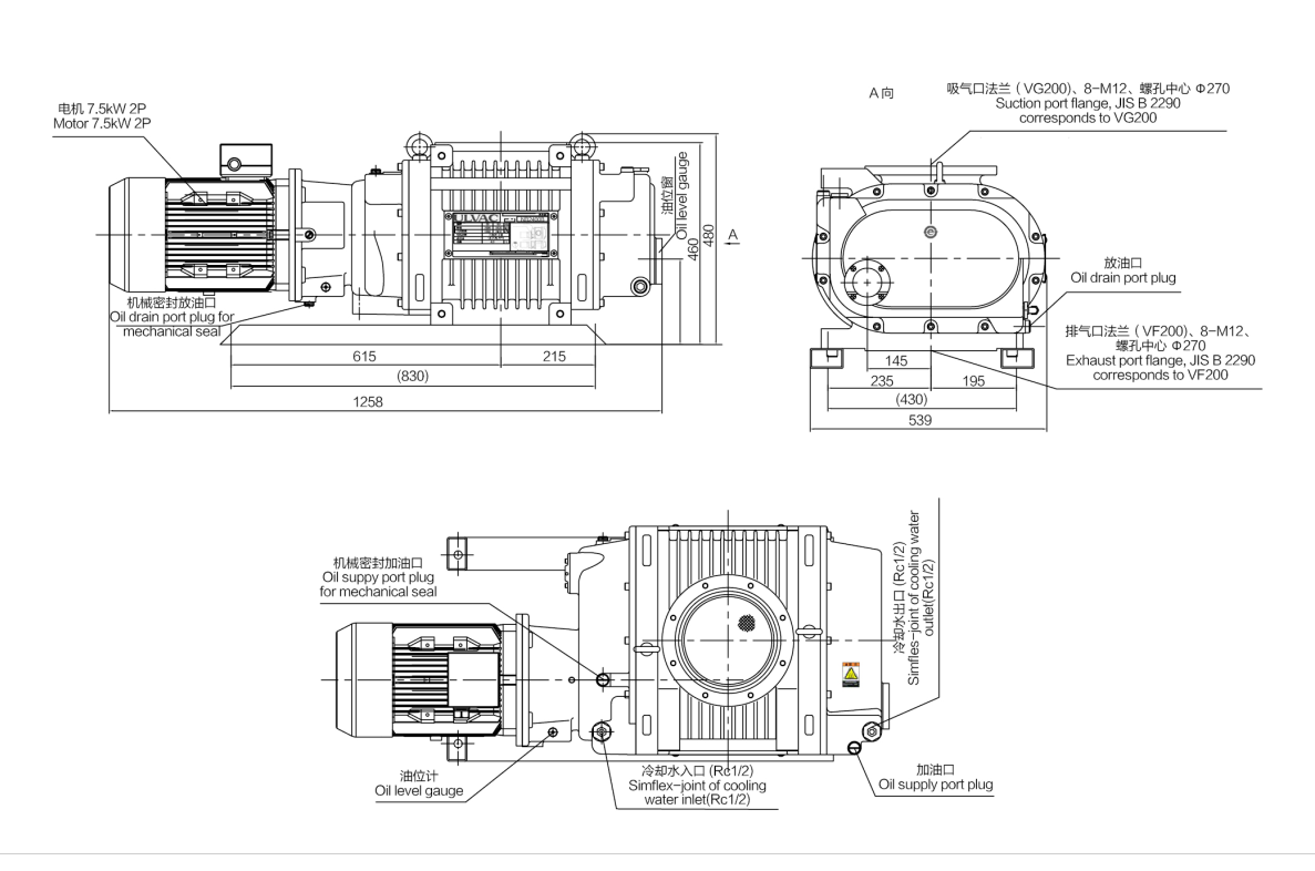
爱发科罗茨式真空泵NB2400B
NB2400B罗茨式真空泵
用途:镀膜、溅射、离子镀、液晶注入,真空干燥、冷冻干燥、真空脱气,分析仪器、密封装置,真空热处理炉、溶解炉,其他各种真空装置
详情请咨询:13901543292李小姐
QQ咨询:290962889
详细介绍
特长
√洁净的真空
腔体内没有润滑油,对水蒸气、溶剂等气体也有稳定的排气性能
√特殊表面处理
主要部件表面进行硬质氧化处理,提高耐腐蚀性,同时减少泵体、此特性可选,标志品表面不处理
√此配件可选,标准泵不配置
配置变频器缩短排气时间
√配置变频器后与粗抽泵同时启动,与标准泵相比有效缩短排气时间
√此配件可选,标准泵不配置






爱发科GLD油旋片泵N051-202
爱发科干式真空泵NRL60-180A
爱发科活塞泵DOP-N181S
爱发科罗茨式真空泵NB100B-NB12