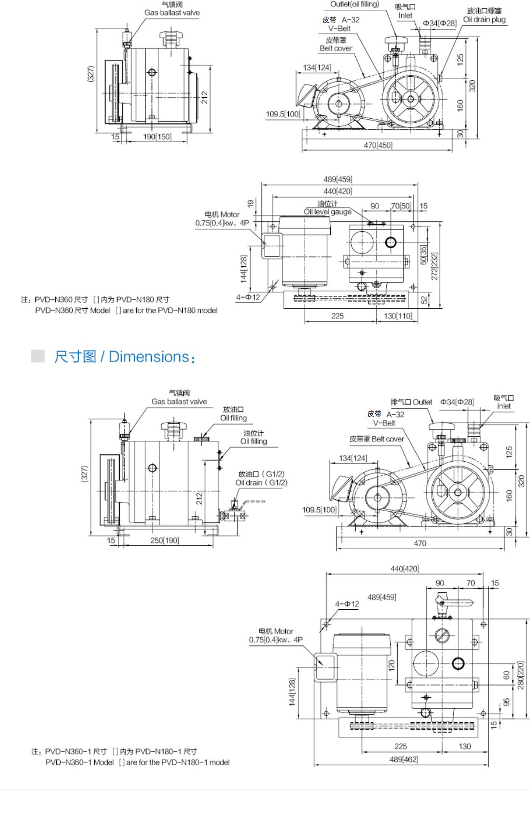
爱发科PVD油旋片泵N180-N360-1
油旋片式真空泵
用途:中央空调、照明、制冷, 冷媒灌注机、液晶注入机, 真空冷冻干燥、真空包装,各种真空设备等相关行业
详情请咨询:13901543292李小姐
QQ咨询:290962889
详细介绍
特长
√稳定的排气特性
√低噪音
√装有气镇阀:通过打开气镇阀,可以将一定量的水蒸气从排气口排出,并能净化油箱内的真空泵油
√维修保养方便:结构简单,零部件数量少,复原性好,便于保养及检修,另外大油量型真空泵设有底部放油口和专门加油口,便于定期换油
√大油量型:采用大油箱后,能降低泵的油温,减少油的氧化和劣化,延长油的使用寿命。另外,能降低吸入泵中的蒸气及粉尘所引起的油污染的程度,从而减少油更换的频率,降低使用成本






爱发科活塞泵DOP-N181S
爱发科干式真空泵NRL60-180A
爱发科罗茨式真空泵NB100B-NB12
爱发科GLD油旋片泵N051-202
爱发科罗茨式真空泵NB2400B
爱发科VDN油旋片泵301/401